Limpieza de tapizados en Ibiza
Impermeabilizaciones de telas en Ibiza
Higienizacion y limpieza profunda con alta temperatura de sofás, colchones y alfombras en Ibiza
¿Cómo trabajamos?
Después de evaluar el tipo de material y manchas con los que trabajaremos, nuestro equipo define el método y los productos de limpieza más adecuados para cada escenario específico.
1 Nos aseguramos de aspirar bien la tela.
2 Iniciamos el proceso de pretratamiento de manchas y/o olores agitando las fibras.
3 Inyectamos y extraemos todas las impurezas y suciedad.
A diferencia de otras empresas, nuestras máquinas industriales cuentan con calentadores que elevan la temperatura del agua hasta los 70 grados. Esto no sólo ayuda a que la limpieza sea más profunda sino que también elimina los posibles microorganismos que puedan estar presentes en el tejido.
Qué esperar de nuestros revestimientos de tela.
Nuestros revestimientos para telas ofrecen una capa superfóbica altamente duradera que protege las telas con una capa de aproximadamente 100 nm de espesor. Este revestimiento proporciona un revestimiento resistente a las manchas de gran durabilidad para casi todas las telas. La mayoría de los recubrimientos solo ofrecen protección hidrofóbica; nuestros recubrimientos también ofrecen protección contra las manchas de agentes a base de aceite.
Preguntas frecuentes:
P: el agua puede penetrar en los tejidos revestidos con su revestimiento Liquid.Glass. Pensé que el revestimiento era impermeable.
R: El recubrimiento ofrece un fuerte efecto hidrofóbico en las fibras recubiertas, pero siempre hay espacios entre las fibras, y el agua siempre llenará estos espacios. Los espacios a los que nos referimos difieren en tamaño, y las telas con un “tejido muy abierto” permitirán que el agua llene los espacios más fácilmente que las telas con espacios muy pequeños. El agua pasa a estos espacios si la tela se sumerge o si se empuja o se deja caer agua sobre la superficie. El agua se elimina fácilmente de la superficie húmeda con un paño seco. Los abrigos y sombreros que están protegidos se pueden sacudir para eliminar la humedad.
P: ¿Puedo hacer que la tela sea “totalmente impermeable” con su revestimiento de tela Liquid Glass?
R: La única forma de hacer que una tela sea completamente impermeable es tapando los espacios en la tela, lo que hace que la tela actúe como una bolsa de plástico ya que no respira.
P: ¿Puedo calentar/planchar revestimientos revestidos con revestimientos textiles Liquid Glass?
R: Calentar la tela recubierta mejorará el desempeño del recubrimiento. Recomendamos que los tejidos revestidos se planchen después de que el revestimiento se haya secado. Se recomienda una plancha templada a aproximadamente 130 °C.
P: ¿Puedo quitar el aceite y las manchas de las telas recubiertas?
R: A menudo se introduce aceite en la tela, llenando los espacios entre las fibras. Si presiona un pañuelo de papel sobre la superficie, eliminará parte del aceite disponible, pero el aceite seguirá cubriendo algunas de las fibras (el aceite solo se asentará sobre la capa, no penetrará en la tela recubierta). Para quitar el aceite y las manchas, se debe usar un detergente suave y agua tibia para quitar el aceite. Evite frotar o restregar la tela recubierta.
P: ¿Puedo lavar tela recubierta?
R: Recomendamos enfáticamente que las telas recubiertas se laven suavemente en agua tibia (30°C). El lavado en una lavadora o agua caliente eliminará el recubrimiento. Nuestros revestimientos resistirán más de 20 ciclos de lavado a mano.
P: ¿Cuánto tiempo permanecerá el revestimiento en la tela?
R: Hay dos factores a considerar. En primer lugar, ¿qué tan fuerte se ha adherido el recubrimiento a la tela? Algunas telas permiten una excelente unión del revestimiento, mientras que otros revestimientos pueden tener un alto contenido de nailon que no permite una gran unión. A continuación, está la consideración del desgaste. Los recubrimientos son excepcionalmente duraderos y soportan altos niveles de abrasión. Las pruebas en tiempo real confirman que los revestimientos permanecerán en su lugar en las alfombras domésticas en áreas de mucho tráfico (en el área de entrada) durante al menos 18 meses. Nuestros revestimientos son considerablemente más duraderos que la mayoría de los revestimientos de tela.
P: ¿Puedo recubrir telas cuando los recubrimientos se han degradado?
R: Recubrir una tela es sencillo. Rocíe Liquid Glass sobre la tela y aplique el recubrimiento en la tela con una mano enguantada. Permita que el revestimiento se seque durante 24 horas antes de un uso intensivo.
P: ¿Cuánto tiempo durarán los revestimientos en áreas sin abrasión, como tapices de paredes o revestimientos de telas arquitectónicas?
R: Los recubrimientos son estables a los rayos UV y durarán muchos años. Tenemos telas recubiertas en nuestra colección de proyectos, que se recubrieron hace diez años y continúan ofreciendo un rendimiento excepcional.
P: ¿Los recubrimientos son resistentes a los rayos UV?
R: Todos nuestros recubrimientos son resistentes a los rayos UV.
P: ¿Se puede revestir cuero y gamuza?
R: Muchos productos de cuero están recubiertos con abrillantadores o aceites. No podemos recubrir de manera efectiva estas superficies; sin embargo, Liquid Glass ofrece protección de contacto con ante natural y cuero. “Protección de contacto” significa que el agua y los aceites no deben penetrar en el revestimiento si se eliminan en aproximadamente 3 minutos.
P: ¿Puedo recubrir telas sucias?
A: El recubrimiento de vidrio liquido debe aplicarse sobre superficies limpias. Las superficies sucias o recubiertas con acondicionador de telas evitan que el recubrimiento se adhiera directamente a la superficie de la tela.
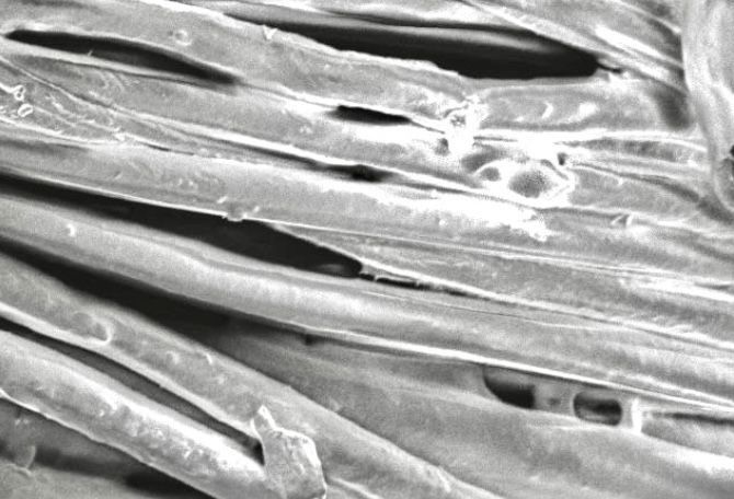
Estas imágenes muestran fibras recubiertas con Liquid Glass. Notarás los espacios entre las fibras. Los líquidos pasarán a través de estos espacios, pero la fibra está protegida contra las manchas. Los revestimientos más gruesos de "tecnología antigua" llenarán estos vacíos, produciendo un revestimiento impermeable pero rígido y no transpirable.




